Питание осветительных сетей
Для питания осветительных сетей наружного освещения предусматривают щиты наружного освещения (ЩНО) или шкафы управления наружным освещение (ШУНО), которые подключают к трансформаторным подстанциям или ВРУ зданий. В некоторых случаях, чаще в сельской местности, ШУНО подключают к магистралям воздушных линий 0,4 кВ. Если ШУНО размещают на земле, то на опоре ВЛ устанавливают щиток с аппаратом защиты, предотвращающим отключение линии в случае короткого замыкания в кабеле питания ШУНО. Необходимость установки на опору щитка с аппаратом защиты обусловлена требованием ГОСТ Р 50571.4.43-2012 (п.п. 433.2; 434.2 и приложение С), согласно которому длина ответвления до аппарата защиты должна быть менее 3 метров.
В больших городах при больших мощностях установок наружного освещения к трансформаторным подстанциям пристраивают дополнительные помещения, в которых устанавливают щиты с аппаратами защиты и управления.
Линии наружного освещения дворов и переулков подключают к линиям освещения улиц (кроме улиц категории А).
Виды уличных фонарей и светильников
Уличные фонари для загородного дома должны соответствовать определенным требованиям и характеристикам. Основные из них – герметичность и устойчивость к атмосферным воздействиям: располагаясь под открытым небом, осветительные приспособления не защищены от дождя, ветра и перепадов температур.
Современные уличные светильники могут быть:
- настенными;
- подвесными;
- светодиодными;
- торшерными;
- встраиваемыми в тротуар или почву.
Фонари любого типа нередко оснащаются датчиками освещенности или движения.
Тип уличных фонарей для загородного дома выбирают в зависимости от предназначения и места расположения. Так, настенные модули крепятся к фасадам домов. Их часто устанавливают на невысокие опоры и колонны, монтируют внутрь стен или ступеней.
Подвесные уличные фонари для дачи обычно крепятся к потолочным перекрытиям с помощью цепи или шнура длиной до 100 сантиметров. Такие конструкции широко используются для освещения беседок, террас, навесов и других малых архитектурных форм.
Светодиодные устройства получили распространение относительно недавно. Благодаря широкому модельному ряду и экономичности (потребляют в 2-3 раза меньше энергии, чем аналоги) светодиодные светильники стали одним из наиболее популярных видов осветительных приборов. Все современные светодиодные устройства имеют повышенный срок эксплуатации в сочетании с прочностью и надежностью.
Свет, создаваемый светодиодами, комфортен и не режет глаза, поэтому фонари данного вида часто устанавливают рядом со скамейками и площадками для отдыха.
Встраиваемые обычные или светодиодные уличные фонари предназначены для размещения непосредственно на поверхности грунта или тротуара. Таким образом обустраивают асфальтированные или покрытые плиткой дорожки, площадки у бассейнов и другие зоны отдыха. Корпус встраиваемых устройств изготавливается из нержавеющей стали и обеспечивает повышенную защиту от влаги и механических повреждений.
Основное отличие встраиваемых фонарей от светильников других видов – их компактность, сочетающаяся с высокой мощностью. Устройства не выступают за пределы архитектурных элементов и не возвышаются над почвой, создавая при этом достаточно яркое и качественное освещение. Прочность встраиваемых уличных фонарей для загородного дома обуславливает популярность их использования для световой маркировки подъезда к гаражу. Наезжая на стекло фонаря, колесо машины не наносит конструкции вреда.
Торшерные устройства (к таковым относятся, например, фонари уличного освещения на столбах) по праву считаются одними из наиболее декоративных видов светильников. Популярность данного типа осветительных приборов объясняется их мобильностью и удобством монтажа. При необходимости фонарь можно легко переставить в любой уголок участка, изменить направление светового потока или отрегулировать высоту опоры, на которой расположен источник света.
Так как нередко торшерные устройства применяют для придания территории более эстетически привлекательного внешнего вида, лампы для них выбирают небольшой мощности. Светильники с мягким, слегка приглушенным светом устанавливают вдоль аллей и дорожек, рядом с беседками или скамейками. Уличные торшеры создают спокойную, романтическую обстановку, идеальную для отдыха и релаксации.
Виды уличных светильников
В зависимости от вида установки уличные фонари могут быть:
Консольные светильники
Они чаще всего применяются для внешней подсветки домов, парковок, дорог, парков. Консольными они называются из-за способа монтажа. Фонарь на столб крепится при помощи кронштейна (консоли). Кроме столба, в качестве опоры для светодиодного прожектора, может служить стена дома, бетонное ограждение.
Разновидностью консольного фонаря можно считать подвесные конструкции. Они устанавливаются на не жесткий кронштейн, а на трос или цепь. Подвесные приборы применяются, когда нет возможности закрепить консоль. Их подвешивают под козырек крыши или крыльца, на столб.
Парковые
Задачей садово-парковых светодиодных светильников является на только освещение в вечернее и ночное время, но и дополнение элементов ландшафтного дизайна. Внешний вид таких приборов не менее важен, чем энергосберегающие качества и защита от неблагоприятных погодных условий.
По способу монтажа парковые фонари могут быть консольными, подвесными, иметь подставку или крепится на столб. Все зависит от стиля паркового ансамбля (хайтек, ампир, классика). Кроме защиты от погодных воздействий, парковые фонари должны иметь повышенную защиту от вандализма, электроизоляцию, быть максимально безопасными.
Грунтовые
Или наземные виды светодиодных уличных прожекторов представляют собой плоские осветительные панели, которые устанавливаются на уровне земли. Грунтовые фонари могут монтироваться прямо в грунт, асфальтовую или бетонную дорогу, в ступени. Наземные светильники могут быть встраиваемые и не встраиваемые.
За счет плоского корпуса и горизонтального положения наземные фонари могут оснащаться солнечными батареями. Если садовый участок расположен преимущественно на солнечной стороне и нет значительного затемнения, то солнечные батареи позволяют существенно сэкономить на электроэнергии.
Прожекторы
Это переносные или легко монтируемые диодные фонари уличного освещения. Изначально прожекторы применялись для освещения стройплощадок, когда нужна была яркая, компактная и мобильная подсветка на ночь. Либо в кинематографе, когда прожектор устанавливается на столб.
Отличие прожектора от обычного фонаря в том, что он имеет боковые дефлекторы, которые сужают угол рассеивания светового потока. За счет этого излучение концентрируется в ограниченном пространстве и освещается только нужный участок, не ослепляя по периметру.
Автономные уличные осветители
Это системы уличного освещения, которые не требуют подводки стандартной электрокоммуникации. Автономные уличные фонари снабжены системой солнечных батарей, которые полностью заменяют потребление электричества.
Развитие автономных уличных фонарей стало возможным, благодаря появлению светодиодных элементов освещения. Поскольку они обладают значительной эффективностью, высокой светоотдачей на фоне малого потребления энергии.
Разнообразие выбора
Торшерный светильник
Современные светильники, которые устанавливаются на улицах, бывают самых разнообразных видов. По предназначению такие светильники могут быть такими:
торшерные фонари. Особенностью осветительных приборов являются их установка на опору. В результате свет они излучают свет сверху. Это традиционные светильники, которые на улицах встречаются наиболее часто. Они используются для обеспечения освещения дворов, пешеходных зон, парков, бульваров, скверов и загородных участков;
Фасадные светильники
- фасадные фонари. Их еще называют консольными светильниками. Такие светильники крепятся к фасадам зданий с помощью специальных кронштейнов или опор. Данный тип осветительных приборов зачастую имеет красивый и вычурный внешний вид, так как они выступают в роли дополнительного декорирования зданий. Они служат для освещения номеров домов и прочих информационных табличек;
- ландшафтные фонари. Самая многочисленная и разнообразная группа уличных осветительных приборов. Эти светильники могут иметь различный дизайн, оформление и цветовую гамму. Например, такой светильник может иметь форму садовой фигуры. Очень часто с их помощью создают разнообразные инсталляции для освещения парков и скверов;

Ландшафтный светильник
магистральные уличные фонари. Такие осветительные приборы размещаются вдоль автомобильных дорог и магистралей. Они могут освещать самую большую по размеру территорию вокруг себя (до 9 м). При этом освещение будет ярким. Стандартный интервал между такими светильниками составляет от 5 до 20 м. На дистанцию влияют мощность и количество ламп, а также высота столба;

Магистральные светильники
Рекламные светильники
рекламные или баннерные фонари. Эти современные осветительные приборы появились относительно недавно. Они используются для создания подсветки наружной рекламы. Для них характерен неприметный дизайн и большая мощность светового потока.
Как видим, разнообразие уличного освещения достаточно большое. Каждый тип светильников имеет свои особенности и максимально эффективно освещает улицу к конкретной зоне.
Виды светильников
Ассортимент приборов освещения достаточно велик по разным параметрам и признакам. Обычно их монтаж производится на столбы, стены и металлические опоры.
Приборы освещения условно подразделяют на классические, энергосберегающие и сферические. Последние представляют собой столб с плафоном круглой формы. Преимущество их в том, что свет распределяется равномерно по всем сторонам. Стекло для плафона применяют разное (матовое, глянцевое), но такое, чтобы оно имело свойство переотражения.
Индерективные светильники работают исходя из принципа распределения светового потока. Их прекрасно можно использовать при освещении города, парка, сквера.
Прожектора различаются:
- По типу устанавливаемых в них ламп и по принципу распределения света внутри.
- По значению силы света и угла светового потока.
Примеры и виды уличного освещения
Уличное светодиодное освещение – не единственный способ увеличить видимость в ночное время. В наше время широко применяются люминесцентные лампы, галогенки и лампы накаливания.
Все уличное освещение можно разделить на несколько видов в зависимости от типа местности, на которой возникает необходимость увеличить видимость в темное время:
Для освещения крупных автодорог, магистралей. В таком случае применяются фонари с рефлектором. Такие фонари способны концентрировать свет в направлении автострады. С целью экономии фонари располагают на относительно большой высоте. Это дает право устанавливать опоры на большом расстоянии, в чем и заключается экономия;
Схема уличного освещения для повышения видимости на второстепенных автодорогах. Для увеличения видимости на подобных участках могут применяться рефлекторные лампы и фонари рассеянного света. Лампы, как правило, покрыты прозрачным плафоном, который позволяет рассеивать лучи света на большое расстояние. Мощность используемых ламп в данном случае значительно меньше, чем для освещения крупных дорог;
Пешеходные тротуары, парки и велосипедные дорожки. Здесь используются исключительно осветительные приборы рассеянного света
При проектировке и монтаже освещения парков и тротуаров особое внимание уделяется конструкции плафона. Как правило, он изготавливается в форме шара или цилиндра
Чтобы обеспечить большее рассеивание, они могут изготавливаться с несколькими прозрачными кольцами рельефной формы. Дистанция установки опор для таких фонарей может быть различной, но в зависимости от нее изменяется мощность осветительных приборов;
Освещение архитектурных объектов. Это декоративное освещение фасадов зданий;
Фонари для освещения объектов информационного характера. С помощью таких осветительных приборов в темное время освещаются номерные знаки домов, дорожные знаки или наружная реклама (баннеры, сити-лайты, вывески). Такая схема уличного освещения представлена лампами специального назначения или прожекторами.
Также уличные фонари стоит различать в зависимости от источника света.
Уличные фонари бывают:
- Свечные;
- Масляные. Такие осветительные приборы работают на основе сгорания жира или масла. Принцип работы масляных фонарей напоминает работу керосиновой лампы;
- Керосиновые. Это всем знакомый вид ламп (фонарей). Подобные светильники работают на принципе сжигания керосина: в емкость с продуктом переработки нефти помещается фитиль, другой конец которого вверху зажат механизмом горелки;
- Газовые. Осветительные приборы такого вида основываются на процессе сжигания газообразного топлива. Его роль могут играть: водород, метан, пропан, светильный или другие горючие газы. Подобные приборы освещения давно были вытеснены из использования в целях освещения улиц электрическими источниками света. Но довольно часто они применяются туристами во многих странах мира в качестве переносных осветительных приборов;
- Уличное освещение на столбах с лампами накаливания. Это искусственный инструмент для освещения. Свет исходит от тела накала, которое нагревается от электроэнергии до высокой температуры. Обычно роль осветительного элемента исполняет вольфрамовая спираль. Светящаяся спираль защищена от воздействия с окружающей средой стеклянной колбой. Как правило, объем лампы накаливания заполняется инертными газами. Это необходимая мера для того, чтобы не было существенных потерь тепла за счет теплопроводности. Ранее их роль выполнял вакуум.
-
Уличное освещение с применением дуговых ламп. В таких
осветительных приборах освещение обеспечивается электрической дугой.
Она горит между двумя электродами. Пространство лампы наполняется
парами металла, солей или инертным газом. В зависимости от состава
наполнителя меняется спектр; -
Уличное освещение на столбах светодиодами. Они стали применяться,
когда остро стал вопрос экономии энергии. Применение ЛЕД ламп – один из
самых простых способов сократить расходы на электричество. -
Уличное освещение на столбах с помощью индукционных ламп. Это
осветительные приборы, в которых источником света служит плазма. Она
возникает в процессе ионизации газа магнитным полем высокой частоты.
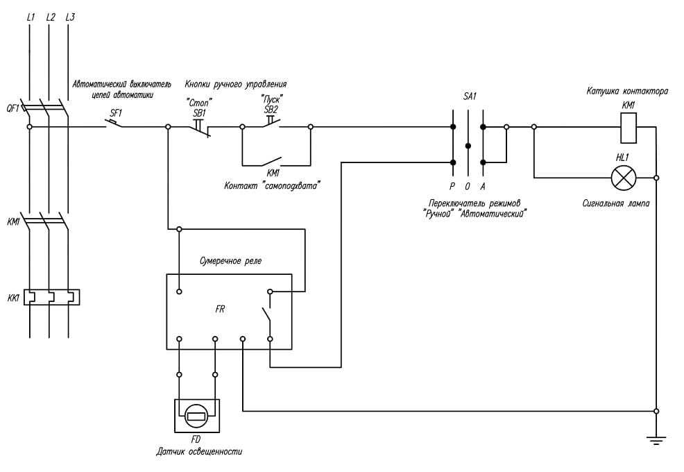
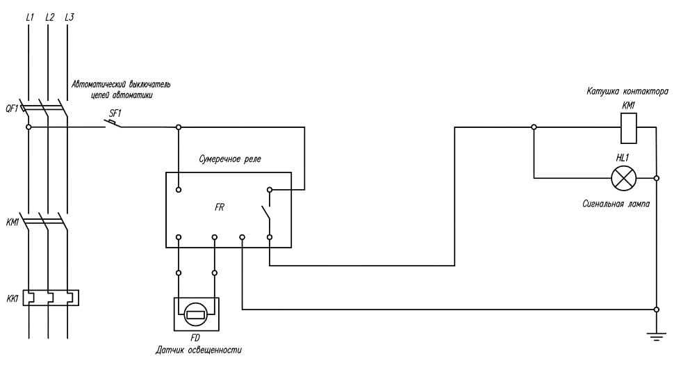
Правила устройства наружного освещения – управление.
Управление осуществляется непосредственно с ЩНО, где расположена вся пускорегулирующая аппаратура, кроме датчика. Датчик устанавливается в затененном месте от включаемого им светотехнического оборудования.
Вас может заинтересовать – «Как переделать люминесцентный светильник под светодиодные лампы»
В противном случае, при наступлении сумерек, чувствительный элемент подаст команду на включение системы наружного освещения. После чего он будет засвечен активированными им светильниками, и вся система выключиться. Фотоэлемент вновь окажется в тени и опять подаст команду на активацию НО. И так может повторяться до наступления утра.
Особое внимание следует уделить невозможности засветки фотоэлемента фарами автомобилей и другими источниками светового излучения. Наиболее распространенные схемы управления приведены в конце публикации
Наиболее распространенные схемы управления приведены в конце публикации.
Ручное управление наружным освещением
Автоматическое управление наружным освещением
Ручное и автоматическое управление наружным освещением
Варианты уличного освещения
Уличное освещение городской инфраструктуры сочетает утилитарные и эстетические функции. В зависимости от месторасположения оно бывает:
Дорожное основное для магистралей и дополнительное — для второстепенных улиц и автомобильных дорог.
Для пешеходных зон. Осветительные системы располагают вдоль тротуаров и в жилых районах для безопасного перемещения и ориентации пешеходов.
Архитектурное. Оно обеспечивает подсветку зданий и памятников, создает световые акценты и способствует эффектному восприятию объектов.
Декоративное садово-парковое. Применяется для освещения скверов, парков, зон отдыха и прилегающего к различным сооружениям ландшафта. Для обозначения границ дорожек служит маркировочный свет, а с помощью локального подсвечивают с небольшого расстояния отдельные элементы.
Рекламное
Подсветка рекламных щитов, витрин магазинов, фасадов офисов различных организаций и торговых центров привлекает внимание целевой аудитории. Кроме того, она дополняет системы освещения, улучшая видимость на улицах.
Особого внимания заслуживает праздничная иллюминация, которая применяется в праздники и при проведении особых мероприятий, и создает торжественную атмосферу.
Виды и особенности ламп
Лампы накаливания
Наиболее простой и распространенный тип ламп, работающий по принципу нагревания вольфрамовой нити в инертном газе до высокой температуры. Лампы накаливания отличаются большой теплоотдачей и мощностью, но являются самыми энергозатратными устройствами из ныне существующих. Разновидностью лампочек с нитью накаливания являются галогенные лампы. Наличие паров галогена (буферного газа) увеличивает срок службы до 4 раз. При использовании в уличном освещении, галогенные лампы чаще устанавливаются в прожекторах.

Люминесцентные лампы
Данный вид выгодно отличаются от ламп накаливания большей светоотдачей и длительным сроком эксплуатации (работают до 10 раз дольше). Балласты (электронные модели), представленные современной промышленностью, способны работать без мерцающего эффекта и шумов. Принцип действия этого вида ламп заключается во взаимодействии паров ртути и электрического тока, которые являются причиной возникновения ультрафиолетового излучения.

Газоразрядные
При создании таких видов ламп используется водород, природный газ, метан либо этилен. Процесс работы заключается в сжигании топлива, образующего электрический разряд. Такие изделия отличаются высокой светоотдачей и могут применяться для декоративного оформления объектов. Срок службы прибора достигает 20 тыс. часов. В настоящий момент обывателю доступны натриевые, металлогалогенные и ртутные разновидности газоразрядных лампочек.

Металлогалогенные
Будучи разновидностью газоразрядных ламп, изделия содержат специальные добавки галогенидов. Такое устройство позволяет использовать лампочки для освещения больших уличных пространств, а также подобрать оптимальные спектральные характеристики. Металлогалогенные лампы являются отличным решением для создания архитектурной, сценической и спортивной подсветки.

Натриевые
Этот вид ламп работает по принципу взаимодействия паров натрия, формирующих газовый разряд. Процесс изготовления включает применение специальных колб из боросиликатного стекла. Их использование позволяет оградить прибор от воздействия температур, и создать оптимальные условия для работы в любое время года. Модели отличаются низкими спектральными характеристиками и могут использоваться только для уличного освещения.

Ксеноновые
Лампочки данного типа функционируют за счет образования электрической дуги между двумя электродами, расположенными в герметичной колбе. В качестве инертного газа могут быть использованы пары металлов, а также соли натрия и ртути. Спектр излучения ксеноновых ламп зависит от элементов, составляющих конструкцию, температуры и давления.

Ртутные
Устройства этого вида работают по принципу образования разряда в ртутных парах. Наиболее распространенной сферой применения является медицина, но иногда применяются и для освещения улицы. Также изделия данного типа могут быть использованы в сельском хозяйстве и промышленности. Для перечисленных категорий оптимальным вариантом считаются лампы специальфного назначения. Касаемо уличного освещения, для этого подходят устройства общего назначения.

Индукционные
Изделия данного вида относятся к газоразрядным приборам. Принцип действия безэлектродных лампочек заключается в образовании плазмы во время ионизации инертного газа высокочастотным магнитным полем. Работу прибора обеспечивает катушка индуктивности, расположенная рядом с газовым баллоном лампы. Отсутствие прямого контакта плазмы и электродов становится причиной увеличения срока эксплуатации, а также большей стабильности параметров изделия.

Светодиодные лампы
Лампочки данного вида являются вершиной искусственного освещения. Они обладают низким энергопотреблением, высоким сроком службы и полной экологической безопасностью. Помимо этого, могут обладать любой формой и размерами. Специалисты утверждают, что в ближайшее десятилетие светодиодные лампы полностью вытеснят с рынка остальные источники искусственного света.

Устройства данного типа достаточно удобны в качестве альтернативы всем перечисленным выше разновидностям ламп. Конструкционные особенности моделей дают возможность освещать пространство без необходимости использования электроэнергии. В цивилизованных странах все чаще виды светодиодных ламп освещения на солнечных батареях заменяют более ранние аналоги в парках, скверах, аллеях и подъездных дорожках.
Какие бывают уличные светильники?
По типу установки уличные светильники разделяют на:
- торшерные;
- настенные;
- подвесные;
- столбиковые;
- встраиваемые.
Торшерные светильники выглядят красивыми декоративными столбами высотой 3-4 м, на верхушке которых закреплены атмосфероустойчивые элементы освещения. Они освещают зону под собой отраженным светом так, что даже при взгляде на них ослепляющий эффект отсутствует.
Настенные приборы крепятся на оригинальных кронштейнах, а подвесные — на натянутых между опорами струнах. Столбиковые светильники высотой до 1 м обычно устанавливают вдоль узких тротуарных дорожек. Встраиваемые светильники монтируются непосредственно в дорожную плитку, бетон или асфальт.
По форме плафона светильники изготавливают:
- классическими на изогнутом декоративном кронштейне;
- с отражателем без плафона;
- в виде сферы и полусферы;
- в виде цилиндра, конуса, прямоугольника;
- прожекторными направленного действия;
- столбиковыми на светодиодах и солнечных батареях.
Нормы для уличного освещения
Освещение в городе подразделяется на две важнейшие составляющие — свет в области автомобильных дорог и освещение зон для пешеходов. Согласно закону, нормативы для них разные, собраны в СНиП 23-05-95.
Освещение автодорог
Система подсветки автодорог наиболее важна, ведь без ее организации соблюдение безопасности дорожного движения невозможно. Факторы, которые влияют на освещенность:
- Интенсивность пользования дорогой. В течение часа по разным дорогам проезжает неодинаковое количество машин, в зависимости от чего пути передвижения транспорта поделены на четыре категории: трассы (автомагистрали) с движением от 3000 автомобилей/час, магистрали (1000 – 3000 машин), дороги (500 – 1000 машин), дороги с малым движением (меньше 500 машин).
- Разрешенная скорость пользования. Так, по поселку, иному населенному пункту разрешено двигаться медленнее, чем по магистрали. Для соблюдения дистанции между машинами скоростные трассы нужно освещать более интенсивно.
- Значимость улицы. Главные улицы в городах, центральные улицы в селе либо исторические площади всегда освещаются мощнее.

Исходя из ГОСТ и СНиПов, существуют строго установленные нормы освещенности, которые варьируют в пределах 4 – 20 Лк и более. Для улиц и дорог местного значения достаточно средней горизонтальной освещенности в 4 – 6 Лк, для магистральных улиц районного значения — 10 – 15 Лк, для улиц общего пользования общегородского значения — 15 – 20 Лк. При пересечении магистрали и небольшой дороги в зоне перекрестка свет должен быть таким же ярким, как на основной улице.
Автомобили участвуют в поддержке хорошего уличного освещения. Чтобы свет фар не мешал другим водителям, последние отвечают за своевременное переключение положения фар (с ближнего света на дальний и наоборот). В ряде автомобилей даже применяется AFS — система адаптивного освещения, где компьютер сам несет ответственность за переключение света.

Нормы освещения пешеходных зон
Обустройство мест для передвижения пешеходов организуется по иному принципу. Обычно требования по подсветке территории взаимосвязаны с типом, размером населенного пункта, значением самой улицы.
Там, где переходные зоны соседствуют с центральными улицами и автодорогами, освещение монтируют на уровне 10 Лк. Для улиц, расположенных вдали от магистралей, допускается освещение 4 Лк, для местных улиц (например, в частном секторе) — 2 Лк.
Нормы освещения по прочим функциональным территориям и зонам отдыха:
- стадионы — 6 – 10 Лк;
- центральные входы общегородских парков — 6 Лк;
- центральные аллеи парков — 4 Лк;
- боковые аллеи парков — 2 Лк;
- площадки на входе в кинотеатры, эстрадные зоны — 10 Лк;
- выставки — 20 Лк.

Освещение улиц в сельской местности
Установка источников света в деревне, поселке или ином типе сельской местности регулируется действующим законодательством. В СНиП 23-05-95 есть особый раздел, рассматривающий этот вопрос. Обязанность следить за правильностью выполнения освещения лежит на органах местной власти, которые обеспечивают своевременность подачи электроэнергии в темный период суток.
Относительно конкретных цифр, они касаются средней горизонтальной освещенности и измеряются в люксах (Лк):
- основная улица, площадки торговых центров — 4 Лк;
- второстепенные улицы, переулки, поселковые дороги — 2 Лк.
В пределах 2 Лк должен быть уровень подсветки на главных улицах дачных товариществ и кооперативов.

Монтаж уличных светильников
Если вы самостоятельно устанавливаете фонарь на столб у себя на участке, то в первую очередь отключите централизованную подачу электроэнергии!
- Отведите одну линию от питания наружной электроустановки и защитите ее автоматом. Это потребуется в случае, если светильник не имеет встроенных солнечных батарей.
- Затем проложите кабель в земле, предварительно защитив его гофротрубкой.
- Обычно глубина закладки кабеля 50–60 см. Расстояние от края дороги 1,5 м.
- Траншею для кабеля посыпьте песком. Это нужно для обеспечения дренажа.
- Если фонарь на столб не один, цепь подключайте последовательно.
- Грунтовые уличные фонари устанавливайте на подложку из гравия и фиксируйте строительным раствором. Для выравнивания положения используйте уровень.
- Светильники на столб должны быть устойчивыми и выдерживать механические нагрузки, для этого делают цементный фундамент на менее 40 см. в высоту.
- После сборки основания уличный фонарь подключите к сети, следуя прилагаемой инструкции.
Рекомендуем посмотреть видео на тему “Схема подключения и установки уличного фонаря”.
Типы уличных светильников и фонарей ↑
Уличные лампы делятся на 2 вида: общего пользования и специализированные. Вторые применяются на флоте, в армии, при оформлении концертов на открытом воздухе. Сюда относятся поисковые (флот, армия), сигнальные (военные корабли, маяки) и спецэффектные прожекторы (сценарное освещение, лазерное шоу). Нас же интересует первый тип — прожекторы общего назначения, которые незаменимы при подсветке улиц, зданий, спортплощадок и.т.д. Подобное оборудование еще называют лампами заливающего света, потому что главная его функция — поддержание постоянства освещенности территории, способствующей визуальному отделению объекта от фона и окружающей среды.
Кругло-симметричная конфигурация линейки осветительных приборов
Классификация уличных фонарей довольно обширна. По принципу распределения света они делятся на симметричные и круглосимметричные. Симметричные в свою очередь подразделяются на одноплоскостные и двухплоскостные. Существует разделение, основанное на числовом выражении силы света, угла светового потока и КСС (кривых силы света), но самая распространенная классификация базируется на типе применяемых ламп.
Галогеновые уличные светильники ↑
Прекрасно передают цвет и создают иллюзию солнечного освещения — направленного точечного или мягкого бестеневого. Используются для подсветки мостов, зданий, рекламных вывесок. По принципу действия галогеновые лампы похожи на классические лампы накаливания, только в буферный газ добавляются фтор, бром, йод и другие галогены, увеличивающие срок «жизни» в 2 раза.
Галогенный уличный светильник: мощность напряжения и интенсивность потока света можно регулировать с помощью диммера
Несмотря на то, что такие источники света газоразрядными не являются, высокая цвето- и светоотдача позволяют использовать их в самых современных моделях осветительных приборов. К плюсам можно отнести возможность регулировки мощности посредством диммеров, высокую защищенность оптических отсеков и способность работы в любых условиях.
Металлогалогенные фонари ↑
В качестве источника света выступают газоразрядные лампы, дающие холодный, яркий свет. Это идеальный вариант для освещения выставочных центров, торговых комплексов, открытых пространств. Основное достоинство — нечувствительность к резким скачкам напряжения.
Металлогалогенный прожектор не реагирует на скачки напряжения
Необходимо упомянуть и о прочих преимуществах: допустимость усиления технических приоритетов с помощью надежного корпуса, длительный срок службы, широкий диапазон цветовых температур.
Натриевые лампы ↑
Характеризуются низкой цветопередачей, однако демонстрируют желтый спектр цвета. Чаще всего их используют в ландшафтном дизайне. Светильники оснащены натриевыми лампами высокого давления, функционирование которых базируется на свечении паров натрия в колбе посредством подачи электрического разряда.
Натриевый наружный светильник отличается высокой светоотдачей при незначительном потреблении энергии
Натриевые энергосберегающие лампы для уличного освещения отличаются при низкой цветопередаче довольно высокой светоотдачей. Это значит, что такие прожекторы формируют желтое световое поле, нивелируя остальные цвета. Но приличный срок эксплуатации (более 30 000 часов) ставит натриевые прожекторы в разряд самого неприхотливого и экономичного оборудования для уличного освещения.
Светодиодные лампы наружного освещения ↑
Отличаются идеальной цветопередачей и большой контрастностью. Главные плюсы — повышенный срок службы, экономичность, высокая сопротивляемость к механическому воздействию. Сфера применения светодиодных уличных ламп широка: дизайнеры используют их в ландшафтной, интерьерной, архитектурной подсветке.
Светодиодные лампы представляют собой группу светодиодов в едином корпусе
Для реализации разных видов освещения может использоваться единичный прожектор или группа, в зависимости от преследуемых целей. Так для освещения большого здания предпочтительнее устанавливать лампы по периметру через одинаковые интервалы, тогда как для подсветки монумента достаточно одного фонаря. Светодиодные прожекторы позволяют создавать интересные эффекты в наружном освещении.
Монохромное исполнение дает яркую, равномерную подсветку объекта. Полноцветное — незаменимо для создания оригинальных светодинамических эффектов, управляемых автоматически.
Естественное освещение
Это свет, исходящий от солнца в дневное время. Показатели могут различаться в зависимости от региона, облачности, расположения строений и деревьев рядом со зданием. Выделяются такие виды освещения:
- Боковое. Попадает в помещения через оконные проемы, которые могут находиться как с одной, так и с двух или более сторон, все зависит от особенностей здания. При проектировании строений определяют оптимальные размеры окон, чтобы обеспечить нормальное проникновение естественного света. Учитывается и то, что южная и восточная сторона освещаются намного лучше западной и северной.
-
Верхнее. В жилых домах реализуется за счет установки мансардных окон, которые встроены в кровлю. Нередко используются купольные и другие подобные конструкции в оранжереях или бассейнах. В производственных помещениях применяют так называемые фонари – надстройки на крыше с окнами с двух сторон. Подходят для зданий большого размера, в которых свет из окон плохо проникает вглубь цехов или складов.
- Комбинированное. Это сочетание верхнего и бокового освещения, которое позволяет добиться лучшего результата. Но такой вариант самый сложный в реализации и использовать его можно не всегда.





























